This Parts Catalog is an essential resource for owners and service technicians of Ford Model 1910 Tractors, offering detailed schematics and part identification to simplify maintenance and repairs.
- Comprehensive 322-page manual containing all parts numbers and names
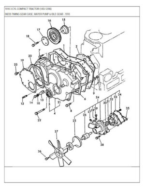
- Includes a numerical index and exploded views of each component assembly
- Comb-bound format lays flat for easy reference during use
- New print of the Original Equipment Manufacturer (OEM) manual ensuring accuracy
- Facilitates faster and more precise ordering of parts
- Helps users understand assembly structure and fitting for effective troubleshooting
| Model | Ford 1910 Tractor |
|---|---|
| Pages | 322 |
| Binding | Comb Bound to Lay Flat |
| Serial Number Coverage | All |
Usage Tips:
- Consult exploded parts views to identify each component clearly.
- Use the numerical index for quick location of parts numbers and names.
- Keep the manual flat and open for hands-on referencing during repairs.
- Refer to this manual when ordering parts to ensure correct and timely procurement.




























